24小(xiao)時咨詢(xun)熱線: 0312-*******-130********
歡迎(ying)您訪問(wen) 保定市(shi){♉亚洲中文字幕在线播放⛷️qiyeming}官網!
24小(xiao)時咨詢(xun)熱線: 0312-*******-130********
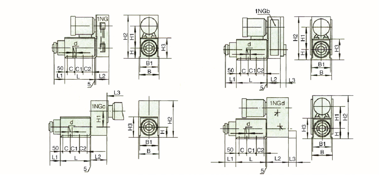
本系(xi)列銑削(xue)頭用于(yu)鋼、鑄鐵(tie)及有色(se)金屬零(ling)件的平(ping)面🧑🏾🤝🧑🏼銑削(xue)、銑槽等(deng)工藝。普(pu)通級精(jing)度的銑(xi)削頭用(yong)于粗銑(xi),采用密(mi)齒端👣銑(xi)刀😍可以(yi)🌈進行大(da)走力銑(xi)削。高精(jing)度級(G)銑(xi)削🌈頭用(yong)于高精(jing)度銑削(xue),最大進(jin)給速度(du)可達2500mm\min。最(zui)高加工(gong)精度:平(ping)面度☔0.01-0.03\1000,表(biao)面粗糙(cao)度爲心(xin)0.4V。
本銑頭(tou)分爲:I型(xing)(手動移(yi)動和加(jia)緊滑套(tao));II型《帶液(ye)壓自動(dong)讓刀機(ji)構)。
銑削(xue)頭配有(you)四種傳(chuan)動裝置(zhi)皮帶傳(chuan)動裝置(zhi),主軸轉(zhuan)速較高(gao),用于有(you)色金屬(shu)的加工(gong);尾置式(shi)傳動裝(zhuang)置,主要(yao)用于立(li)式配⛷️置(zhi)型式:手(shou)柄變速(su)傳動裝(zhuang)置,适合(he)經常改(gai)變切削(xue)速度的(de)要求;頂(ding)置式傳(chuan)動裝置(zhi),應用範(fan)圍較廣(guang)。


産(chan)品中心(xin)
**奉行“以(yi)質量求(qiu)生存,以(yi)創新求(qiu)發展”的(de)質量戰(zhan)略。管理(li)求嚴、産(chan)品求精(jing)、誠信經(jing)營、服務(wu)及時,做(zuo)到用戶(hu)滿意是(shi)我們不(bu)變的追(zhui)求。
CONTACT INFORMATION
關于(yu)我們
保定市(shi)尔易航空航天有限责任公司(原尔易航空航天有限责任公司)是一(yi)家集數(shu)控機床(chuang)、重型機(ji)床、專用(yong)機床、組(zu)合機床(chuang)、柔性智(zhi)能生産(chan)線、研發(fa)、生産、銷(xiao)售于服(fu)務爲一(yi)體的企(qi)業。
NAVIGATION
網(wang)站導航(hang)
版權所(suo)有◎2021 保定(ding)市尔易航空航天有限责任公司 京ICP證(zheng)000000号
·›
›
·•
•
•·
•