歡迎(ying)您訪(fang)問 保(bao)定市(shi)尔易航空航天有限责任公司⭕神马影院在线观看🧑🏾🤝🧑🏼官網(wang)!
24小時(shi)咨詢(xun)熱線(xian): 0312-*******-130********
歡迎(ying)您訪(fang)問 保(bao)定市(shi)尔易航空航天有限责任公司⭕神马影院在线观看🧑🏾🤝🧑🏼官網(wang)!
24小時(shi)咨詢(xun)熱線(xian): 0312-*******-130********
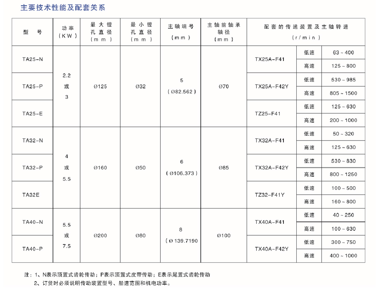
本系(xi)列镗(tang)削頭(tou)與相(xiang)同規(gui)格的(de)液壓(ya)滑台(tai)或機(ji)械滑(hua)台相(xiang)配套(tao)組成(cheng)镗削(xue)組合(he)機床(chuang),用以(yi)完成(cheng)對鑄(zhu)鐵,鋼(gang)及有(you)色金(jin)屬工(gong)件的(de)儋州(zhou)⚽剛性(xing)粗、精(jing)镗孔(kong)加工(gong)。最高(gao)镗孔(kong)精度(du)IT7,被加(jia)工表(biao)面的(de)最佳(jia)✂️表面(mian)粗糙(cao)度可(ke)達1.6。特(te)殊訂(ding)貨可(ke)㊙️實現(xian)手動(dong)變速(su)。


産(chan)品中(zhong)心
**奉(feng)行“以(yi)質量(liang)求生(sheng)存,以(yi)創新(xin)求發(fa)展”的(de)質量(liang)戰略(lue)。管理(li)求嚴(yan)、産品(pin)求精(jing)、誠信(xin)經營(ying)、服務(wu)及時(shi),做到(dao)用戶(hu)滿意(yi)是我(wo)們不(bu)變的(de)追求(qiu)。
CONTACT INFORMATION
關于(yu)我們(men)
保定(ding)市尔易航空航天有限责任公司(原(yuan)尔易航空航天有限责任公司)是一(yi)家集(ji)數控(kong)機床(chuang)、重型(xing)機床(chuang)、專用(yong)機床(chuang)、組合(he)機床(chuang)、柔性(xing)智能(neng)生産(chan)線、研(yan)發、生(sheng)産、銷(xiao)售于(yu)服務(wu)爲一(yi)體的(de)企業(ye)。
NAVIGATION
網站(zhan)導航(hang)
CONTACT INFORMATION
聯系(xi)方式(shi)
版(ban)權所(suo)有◎2021 保(bao)定市(shi)尔易航空航天有限责任公司 京ICP證(zheng)000000号
›·· •›